+8613720286360
yupinyan@126.com
رسی
简体中文
English
Shqip
لالعربية
Polski
رسی
Deutsch
Русский
Français
한국어
Nederlands
Čeština
Bahasa Melayu
Português
日本語
Svenska
Kiswahili
ไทย
Türkçe
繁体中文
Українська
Español
Italiano
हिन्दी
Bahasa Indonesia
Tiếng Việt
Filipino
صفحه اصلی
کسب و کار اصلی
سرویس خشک کن انجمادی
خشک کردن انجمادی بیولوژیکی دارویی (داروها ، واکسن ها ، نمونه های بیولوژیکی ، آنزیم ها / آنتی بادی ها و غیره)
غذاهای یخ زده (میوه ها و سبزیجات ، گوشت ، لبنیات ، غذاهای راحت و غیره)
لوازم آرایشی لیوفیلیزه (پودر لیوفیلیزه ، بستر ماسک لیوفیلیزه و غیره)
محیط تحقیق خشک کردن انجمادی (خاک ، نمونه های با کیفیت آب و غیره)
خدمات لیوفیلیزاسیون سفارشی (نمونه های ویژه مانند حساس به حرارت / اکسید شدن آسان / ویسکوزیته بالا)
بیان و خالص سازی پروتئین
سنتز ژن و ساخت وکتور
تست بیان پروتئین کوچک (E. coli / سلول های حشره / سلول های پستانداران)
بیان و خالص سازی توده پروتئین (اشریشیا کلی / سلول های حشره / سلول های پستانداران)
تجزیه و تحلیل ساختار میکروسکوپ کرایو الکترونی
تهیه و غربالگری نمونه های رنگ آمیزی منفی
آماده سازی و غربالگری نمونه منجمد
تجزیه و تحلیل ساختار میکروسکوپ کرایو الکترونی (سختی سطح اول / سختی سطح دوم / سختی سطح سوم)
تست ایمنی مواد غذایی
تشخیص باقیمانده آفت کش های میوه و سبزیجات
محصولات آبزی محصولات حیوانی تشخیص بقایای دارویی دامپزشکی
تشخیص باقی مانده داروی تخم مرغ
تشخیص سریع میکروبی
مرکز محصولات
سری بازرسی سریع ایمنی مواد غذایی
تشخیص باقیمانده آفت کش های سبزیجات و میوه ها
سری آشکارساز ایمنی مواد غذایی
تشخیص افزودن غیرقانونی مواد غذایی سالم
تشخیص باقی مانده آفت کش های چای
تشخیص اضافه غیرقانونی لوازم آرایشی
تشخیص بقایای داروهای دامپزشکی در محصولات حیوانی و آبزیان
شناسایی مواد افزودنی غیرقانونی مانند برنج ، رشته فرنگی ، لوبیا و محصولات سویا
بازرسی کیفیت روغن خوراکی
تشخیص باقیمانده داروی دامپزشکی شیر تازه
تشخیص افزودن غیرقانونی چاشنی های غذایی
تشخیص شاخص بهداشت مواد غذایی
تست نوشیدنی
تست کیفیت آب
سایر مواد غذایی به طور غیرقانونی کیت های آزمایش سریع را اضافه کردند
عسل ، سری آشیانه پرنده
سرویس خشک کن انجمادی
بیان و خالص سازی پروتئین
تجزیه و تحلیل ساختار میکروسکوپ کرایو الکترونی
اخبار
اخبار صنعت
اخبار شرکت
پشتیبانی خدمات
راهنمای محصول
فیلم عملیات
استعلام گزارش بازرسی کیفیت
استانداردهای رایج ایمنی مواد غذایی
مشکلات و راه حل های رایج پس از فروش
درباره ما
با ما تماس بگیرید
پشتیبانی خدمات
صفحه اصلی
>
پشتیبانی خدمات
>
استانداردهای رایج ایمنی مواد غذایی
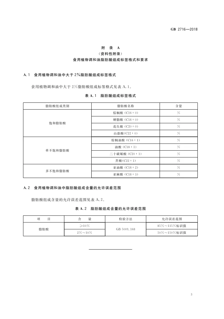
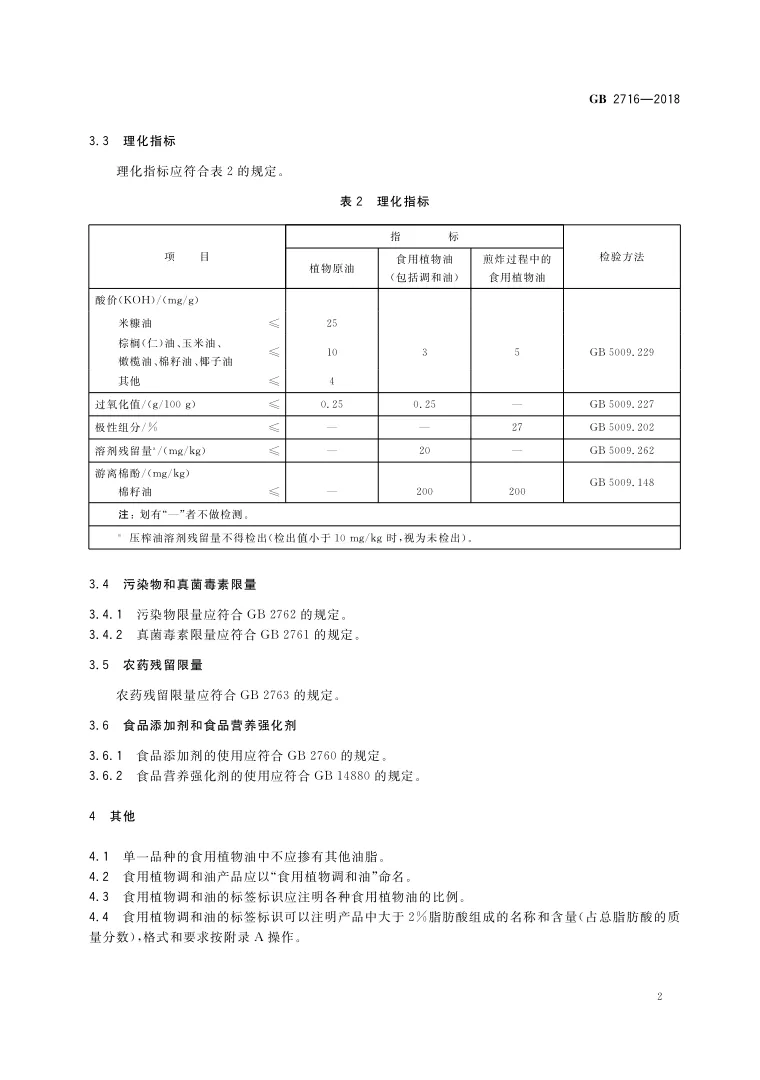
استاندارد ملی ایمنی مواد غذایی GB2716-2018 ، روغن نباتی
2025-07-08
دانلود سند
استاندارد ملی ایمنی مواد غذایی GB2763-2021 ، حداکثر محدودیت
GB 2716-2018 植物油标准全解读:起酥油、调和油的合规要求
在线服务
QQ: 343306098
yupinyan@126.com
+8613720286360
13720286360